您好,欢迎访问成都众质过滤技术有限公司官方网站!

成都众质过滤技术有限公司

专业从事过滤技术、膜分离

技术开发和应用一体高新技术企业

咨询服务热线

028-61071678

18228058509

电镀废水零排放技术

简介—— 电镀废水的水质复杂,成分不易控制,其中含有铬、镉、镍、铜、锌、金、银等重金属离子和氰化物等,有些属于致癌、致畸、致突变的

联系电话:1822805850918228058509

详情内容/ Content details

手机扫一扫





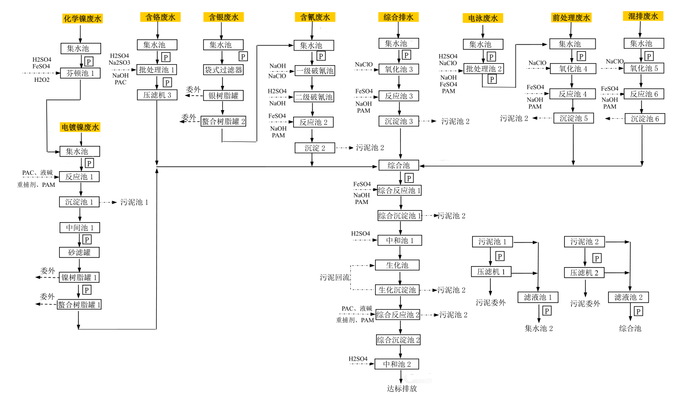
化学镍废水利用泵提升至芬顿氧化池加入硫酸调节 PH 至 2.5 左右,加入催化剂硫酸亚铁,氧化剂双氧水进行芬顿反应,然后重力流至电镀镍原水池,并利用提升泵与电镀镍废水一并提升至反应池,加液碱 PH 回调到 10 左右,再加入 PAM 和镍重捕剂,经沉淀后,出水再经两道镍吸附塔吸附后,使之镍达到排放标准后,再进入综合废水中进行后序处理。含铬废水进行批处理反应,除铬反应过程分为 3 个阶段,首先向硫酸和亚硫酸钠将六价铬还原成三价铬,然后再在废水中投加液碱,经过搅拌和污水混合,调整污水的 PH 值至7~9,并投加 PAC,形成反应条件,使得细小的沉淀物增大;投加 PAM,在继续进行化学反应的同时,形成利于沉淀的较大絮凝体;后在沉淀池中完成固液分离,使污
染物得到去除;

回用水处理工艺采用超滤+RO 反渗透装置,膜分离技术是利用膜对混合物中各组份的选择透过性能来分离、提纯和浓缩目的产物的新型分离技术,膜分离过程是一种无相变、低能耗物理分离过程,具有高效、节能、无污染、操作方便和用途广等特点,是当代公认的先进的化工分离技术之一。膜分离技术可作为一种清洁生产工艺,代替传统的蒸发浓缩、高速离心分离、萃取、离子交换树脂吸附、生化处理中沉降等工艺,膜分离技术应用的领域涉及电力、电子、化工、轻工医药、生物、食品饮料、市政、环保等行业,应用范围广、产业关联度大,是其它任何一种化工分离技术无法替代的,被国外称为二十一世纪十大高新技术之一。

应用领域:

1、纺织废水

2、造纸废水

3、含油废水

4、凃漆废水

5、含重金属废水

6、垃圾渗透液

7、发酵提取废水

8、离交树脂再生酸

9、硫糖铝母液废水

10、大豆蛋白废水中

11、玉米浸泡水、淀粉工艺废水

12、化纤碱性废水综合化利用

13、热电高盐废水

14、煤化工高盐废水

15、化工高盐废水

16、电镀废水零排放





【返回列表】

【推荐阅读】↓

【本文标签】:

在线留言

message
扫一扫更精彩扫一扫更精彩
  • 联系人:李经理
  • 联系电话:18908220973
  • 座机:028-61071678
  • 400电话:18228058509
  • 邮箱:164771686@qq.com
  • 地址:成都高新区(西区)西区大道199号模具工业园B3栋一层
在线客服

如果您对此产品感兴趣! 请直接联系成都众质过滤技术有限公司!

相关推荐

HOT RECOMMEND

快速通道 Express Lane

在线咨询
在线留言
客服电话
扫一扫
扫一扫进入手机网站

扫一扫
进入手机网站

全国服务热线
18228058509